sales@orbitatechksa.com
+966569972277
HOME
ABOUT US
Factory
History
PRODUCTS
Hotel RFID Lock
Bathroom Lock
Hotel Room Safe
Hotel Minibar
Smart hotel solution
Hotel lock accessories
Door Plate
Cabinet Lock
Hotel Phone
Hotel hair dryer
Hotel electric kettle
In Room Switches
Mortise
SOLUTIONS
REFERENCES
SERVICE
NEWS
Company news
marketing news
CONTACT
HOME
ABOUT US
PRODUCTS
+
Hotel RFID Lock
Bathroom Lock
Hotel Room Safe
Hotel Minibar
Smart hotel solution
Hotel lock accessories
Door Plate
Cabinet Lock
Hotel Phone
Hotel hair dryer
Hotel electric kettle
In Room Switches
Mortise
REFERENCES
SERVICE
NEWS
+
Company news
marketing news
CONTACT
sales5@orbitatech.com
+8618928480199
close menu
ORBITA NEWS
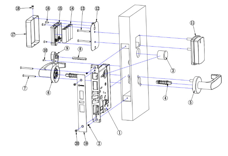
ORBITA S3072 Hotel Lock Installation instructions
2022-08-23 09:15
ORBITA S3072 is Fashionable & Unique , Sliding panel with hidden cylinder.
DOWN FROM GOOGLE DRIVE
<
PREV:
ORBITA S3063 Hotel Lock Installation instructions
ORBITA S3074 Hotel Lock Installation instructions
NEXT:
>